醫院醫療隔離電源解決方案
1、概述
《民用建筑電氣設計規范》14.7.6.3條明確規定:在電源突然中斷后,重大醫療危險的場所,應采用電力系統不接地(IT系統)的供電方式。同時《醫院潔凈手術部建筑技術規范》GB50333-2002中規定:2類醫療場所在維持患者生命,外科手術和其他位于患者周圍的電氣裝置均應采用醫用IT系統。如:搶救室(門診手術室)、手術室、心臟監控治療室、導管介入室、血管照影檢查室等。
安科瑞電氣股份有限公司的醫療隔離電源解決方案是針對醫療Ⅱ類場所的供電需求而開發設計的,能夠很好的滿足各類手術室和重癥監護室對電源安全性和可靠性的要求,并符合國家相關標準。
2、參考標準
GB16895.24-2005 《建筑物電氣裝置 第7-710部分:特殊裝置或場所的要求 醫療場所》
JGJ16-2008 《民用建筑電氣設計規范》
JGJ312-2013 《醫療建筑電氣設計規范》
3、配置方案
◆ ICU、CCU病房IT配電解決方案
ICU、CCU隔離電源方案配置表

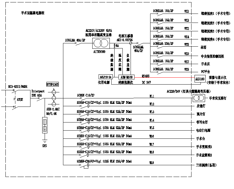
◆ 手術室配電解決方案

方案一 不帶絕緣故障定位功能

方案二 帶絕緣故障定位功能

手術室IT配電方案配置表
